公司主页
|
产品目录
|
联系我们
集团主页
日本产品
欧美产品
韩国产品
企业介绍
ENGLISH
神钢SHINKO离合器制动器
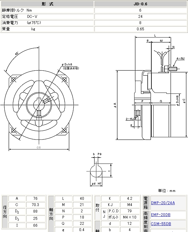
神钢制动器 Shinko Brake JB-0.6
上海武田机电有限公司 沪ICP备05028074号
上海市安远路518号宝华城市晶典大厦1506-1508室 P.O.200060
TEL:021-51085793 FAX:021-51086107 东京事务所:81-3-5396-1239
网址:http://www.chitian.cn EMAIL:
wsitl@21cn.net chitian@chitian.cn